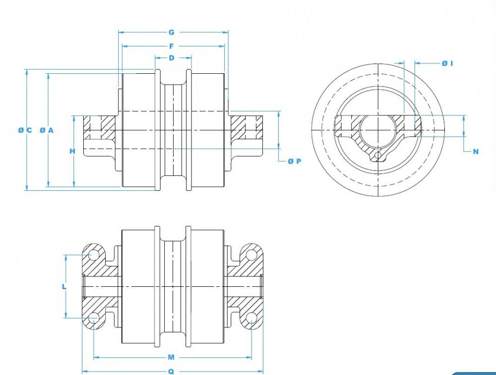
Spodní rolna 164936 pro Kubotu
Detailní popis
Vlastnosti produktu:
- Vysoká kvalita a odolnost
- Zboží bylo vyrobeno ze speciálních materiálů používaných pro vysoce zatěžované mechanické převodovky
- Atraktivní cena
- Dobrá dostupnost
Pojezdové rolny
Prodáváme spodní rolny pro různé typy stavebních strojů. Po opotřebení řetězových článků a spodních rolen klesá podvozek stroje tak, že se zvyšuje zatížení, které následně působí na vodící kolo, hnací kolo a hydromotor.
Včasnou volbou kvalitní a především vhodné rolny pro Váš stroj nedochází k nadměrnému zatížení ostatních podvozkových dílů a vy tedy snížíte pravděpodobnost poškození těchto komponentů.
Zároveň v našem sortimentu naleznete i horní kladky pro stroje Bobcat, Case, Catterpillar, Komatu, Kubota, Kobelco, Hitachi, IHI, JCB, New Holland, Peljob, Takeuchi, Terex a jiné.
Pro více informací, která spodní nebo horní rolna je vhodná právě pro váš stroj, využijte náš kontaktní formulář.
Machines
| KUBOTA | KH151 | --- --- --- |
| KUBOTA | KX045 | --- --- --- |
| KUBOTA | KX151 | --- --- --- |
X-references
| G07AC03A1 |
| KB5219 |
| UF042Z0C |
Hodnocení produktu (0)
Produkt zatím nikdo nehodnotil, buďte první!
Ocelové řetězy, desky a opravné články
Gumové pásy RubberHill
Gumové pásy Bridgestone
Antivibrační pásy Tycoon
Gumové pásy BlackWolf
Spodní rolny
Horní rolny
Hnací kola
Reduktory
Vodící kola
Napínáky
Lžíce, upínače, adaptéry a háky
Hydraulické nůžky Hardy na stromy a porosty
Gyru-Star třídící lžíce
Digga a Hardy zemní vrtáky a rýhovače
Hydraulické přidržovače pro minibagry
Hydraulická demoliční kladiva s příslušenstvím
Sekundární hydraulické pulverizéry - vydrcovače
Hydraulické vibrační desky Hardy
Rovnací zařízení Hardy
Rozrýváky / Rippery
Řezač asfaltu Hardy
Hydraulické kuželové štípače
Pila na dřevo
Hydraulické drapáky
Hydraulické mulčovače
Smeták na bagr
Demoliční nůžky Hardy
Hutnící kolečka
Plastové nájezdy
Hydraulické zvedáky
Zkrácené nájezdy pro kontejnery
2 metrové hliníkové nájezdy pro stroje
2,5 metrové hliníkové nájezdy pro stroje
3 metrové hliníkové nájezdy pro stroje
3,5 metrové hliníkové nájezdy pro stroje
4 metrové hliníkové nájezdy pro stroje
Nájezdy pro ocelové pásy
Hliníkové a ocelové hobby nájezdy
Hliníkové nájezdy pro invalidní vozík
Zuby, adaptéry a břity
Skla
Hydraulika, maziva, filtry, klíče, světla
Hliníkové nájezdy pro stavební stroje
Navařovací háky na minibagr