Felső görgő EQ-LH0016
Részletes leírás
Termék jellemzői:
- Kiváló minőség és tartósság
- A termék speciális anyagokból készült, amelyeket nagy terhelésű mechanikus sebességváltókhoz használnak
- Vonzó ár
- Jó elérhetőség
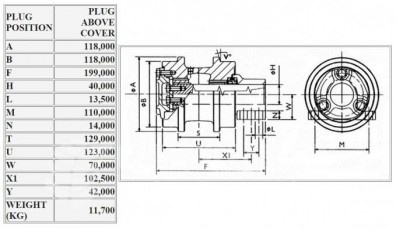
Felső görgő
A felső görgők a legtöbb minibagger, kotrógép és billenő rakodó elválaszthatatlan részét képezik. Fő funkciójuk a lánctalpas gépek támasztása és emelése. Ha a görgő jelentősen elhasználódik, akkor nem forog tovább, ami a lánctalpas gép rossz vezetéséhez és csúszásához vezet. Ezt követően ez a terhelés átkerül az alsó görgőkre, a vezetőkerékre, a hajtókerékre és a hidromotorra.
A minőségi és mindenekelőtt a gépéhez megfelelő felső görgő időben történő kiválasztásával elkerülhető a többi futómű alkatrész túlterhelése, és így csökken a komponensek meghibásodásának valószínűsége.
Kínálatunkban egyúttal alsó görgőket is talál Bobcat, Case, Catterpillar, Komatu, Kubota, Kobelco, Hitachi, IHI, JCB, New Holland, Peljob, Takeuchi, Terex és más gépekhez.
Ha további információra van szüksége arról, hogy melyik felső görgő alkalmas az Ön gépéhez, használja kapcsolatfelvételi űrlapunkat.
Felhasználói vélemények (0)
Még senki sem írt véleményt a termékről, légy az első!
Acél láncok, lemezek és javítóelemek
RubberHill gumiszalagok
Bridgestone gumiabroncsok
Tycoon rezgéscsillapító szalagok
Alsó görgők
Felső görgők
Hajtóművek
Reduktorok
Vezető kerekek
Feszítők
Kanálok, rögzítők, adapterek és horgok
Hardy hidraulikus olló fákhoz és növényzethez
Gyru-Star válogató kanál
Digga és Hardy földfúrók és barázdázók
Hidraulikus rögzítők minibagerekhez
Hidraulikus bontókalapácsok kiegészítőkkel
Másodlagos hidraulikus porlasztók – porlasztók
Hardy hidraulikus vibrációs lemezek
Hardy egyenesítő berendezés
Tépők / Ripperek
Hardy aszfaltvágó
Hidraulikus kúpos hasítógépek
Fűrészgép
Hidraulikus markolók
Hidraulikus mulcsozók
Bagger brush
Hardy bontóoll
Tömörítő kerekek
Rövidített felhajtók konténerekhez
2 méteres alumínium felhajtók gépekhez
2,5 méteres alumínium felhajtók gépekhez
3 méteres alumínium felhajtók gépekhez
3,5 méteres alumínium felhajtók gépekhez
4 méteres alumínium felhajtók gépekhez
Rácsok acélszalagokhoz
Alumíniové a ocelové hobby nájezdy
Aluminium rampák kerekesszékhez
Fogak, adapterek és pengék
Üvegek
Hidraulika, kenőanyagok, szűrők, villáskulcsok, lámpák
Aluminium ramps for construction machinery
Műanyag felhajtók
Hegesztett kampók minibaggerhez